Basınçlı Hava Tesisat Projelendirme & Uygulama
Uzmanlığımızla Güvendesiniz
Her projede deneyimimizi, teknik bilgimizi ve çözüm odaklı yaklaşımımızı bir araya getirerek sektörde fark yaratıyoruz. Hizmetlerimiz, kalite ve güvenilirliği temel alarak size en iyi sonuçları sunmak için tasarlanmıştır.
Yüksek mühendislik standartlarıyla planlanan profesyonel çözümler
0%
Müşteri odaklı yaklaşım ve sürdürülebilir hizmet anlayışı
0%
Projeleriniz İçin Doğru Adres
Hemen bizimle iletişime geçin, ihtiyaçlarınıza özel mühendislik çözümleri sunalım.

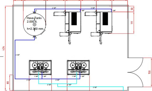
Kompresör Odası Yerleşim Tasarımı
(servis erişilebilirlik, havalandırma, borulama)

Kompresör Odası Borulama Tasarımı (minimum basınç kaybı, maksimum verimlilik)

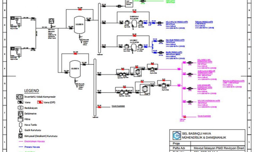
Kompresör Odası Akış Diyagramı (P&ID)

Fabrika Geneli Borulama/Tesisat Tasarımı (çizim, projelendirme ve basınç kaybı analizi)

Borulama/Tesisat Uygulama
Sektör Tecrübesi
0
+
Tamamlanan Proje
0
+
Kurumsal İş Ortağı
0
+
Güven
0
%
Referanslarımız
Bugüne kadar birçok değerli kurum ve markayla çalışarak farklı sektörlerde başarılı projelere imza attık. Her bir işimizde çözüm odaklı yaklaşımımız, teknik uzmanlığımız ve zamanında teslim garantimizle güven kazandık. Referanslarımız, kaliteye ve güvene dayalı iş anlayışımızın en somut göstergesidir.